Technical Article – How to Solve the Power-on and Power-off Problem of MCU?
“When the product is powered on and off quickly, if it fails to meet the power-on and power-off requirements of the MCU, the MCU often fails to start or even locks up. For the MCU powered by a single power supply, the circuit does not need to be rectified. This article recommends an LDO to solve the problem of abnormal MCU startup.
“
For products that need power-down preservation or power-down alarm function, it is often the choice of many engineers to use the energy storage function of large-capacity capacitors to provide time for data preservation and system shutdown. In a system that does not require power-off to save data, in order to suppress power supply ripple, power supply interference and load changes, a capacitor with an appropriate capacity will also be connected in parallel at the power supply end.
However, the larger the capacitor in the circuit, the better. Due to the energy storage effect of the capacitor, the large-capacity capacitor may prolong the power-on and power-off time of the system, and the extension of the power-on and power-off time will easily cause the MCU to fail to start or enter the latch. Therefore, it is particularly important to shorten the power-on and discharge time of the MCU power supply. For single power supply system, ZLG has launched LDO: ZL6205 with EN control and built-in fast discharge function to help your system.

Figure 1 ZL6205
Use EN skillfully to shorten the power-on time
As we all know, meeting the power-on sequence of the MCU is one of the most basic and most important requirements of system design. Therefore, it is necessary to carefully study the power-on sequence of the chip. Figure 2 below shows the power-on time requirements of a certain series of MCUs.

Figure 2 Power-on requirements
It can be seen from the above figure that the main requirements of the MCU for power-on are:
The power-on time tr cannot exceed 500ms;
The voltage VI before power-on needs to be lower than 200mV for at least 12us.
This requires the power-on time to be shortened as much as possible, especially when there are large capacitors or super capacitors in the circuit. Too long power-on time can easily lead to the problem that the system cannot be started or the device is latched.
One simple way to shorten the power-on time is to control the EN pin of the power chip. The power-on time of the system can be shortened by skillfully using the voltage divider resistor of the EN pin. When many people use the power chip, they generally use the external pull-up to enable by default, and if the enable threshold is reached too early, the output will follow the input, that is, the output will be as slow as the input, and the input terminal will be as slow as the power. Jitter is also passed to the output. Figure 3 below shows the schematic diagram of the output curve when setting EN to pull up directly and using a voltage divider circuit.

Figure 3. The output curve when EN is pulled up to the input and using a voltage divider circuit
Curve ①, enable pull-up to the input, at this time, the output rise time is long and will be affected by input fluctuations;
Curve ②, a voltage divider resistor is used reasonably. When VIN rises to 70%~80%, the voltage of EN will reach the enable threshold. At this time, the rising edge of the output is steep and the output is stable, eliminating the unstable stage of the input power supply. The influence of input voltage fluctuation is reduced. At the same time, a margin of 20% to 30% is reserved to avoid output shutdown due to power fluctuations. The power-on at this time is clean and neat for the MCU!
Speaking of which, we have to say our company’s own chip ZL6205, which is packaged in SOT-23 and has an EN enable pin, which can flexibly control the output power supply and provide a clean, fast and stable power supply to the subsequent circuit. The typical application diagram of ZL6205 is shown in Figure 4 below.

Figure 4 ZL6205 typical application circuit
Solving the power-up problem isn’t enough? Still having power down issues? Don’t worry, ZL6205 also has a built-in fast discharge circuit to improve the power-off speed of the system.
ZL6205 has its own discharge circuit, which helps to quickly power off
We have solved the problem of slow power-on before, which does not mean that the system can start stably. As can be seen from Figure 2, it is also necessary to meet the input voltage of the MCU when power-on is lower than 200mV for at least 12us. Whether the system is powered off “cleanly” is also closely related to the startup of the system.

Figure 5 Schematic diagram of slow power down
As shown in Figure 5, when the system is powered off and the load cannot discharge the energy quickly, there will be a situation where the power-off of digital devices such as MCU is slow. If the power is turned on again at this time, because the chip cannot be “returned to zero” in time, this is an uncertain state for digital devices such as MCU. Re-powering the system at this time will easily cause the MCU to fail. The logic is confused, so that the device latches up and the system cannot be started.
Therefore, after the power is turned off, the power supply of the MCU drops rapidly to nearly 0V, so that the system reaches a certain state in a short time, which is also a key factor for the system to start normally when the power is quickly restarted.
The problem of slow power-off is easy to be ignored in the design process, and it is often too late to discover the problem during the product debugging stage. It is time-consuming and labor-intensive to re-add a fast discharge circuit to the system. But if the system is equipped with our company’s ZL6205, the power failure problem can be solved easily!

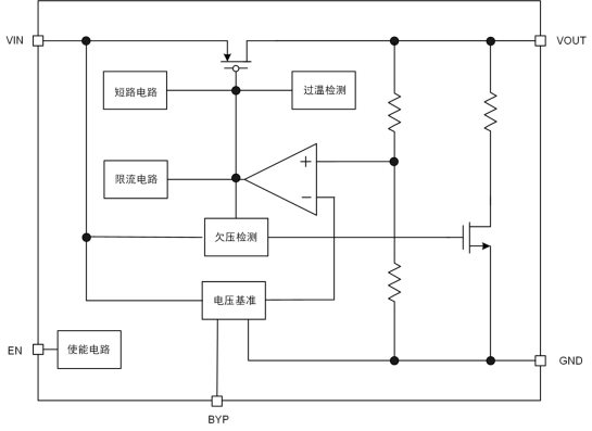
Figure 6 ZL6205 internal block diagram
The internal block diagram of ZL6205 is shown in Figure 6 above. When the input voltage is powered off, if the EN voltage is lower than the enable threshold, the internal fast discharge circuit will be activated, and a 240Ω bleeder resistor will be loaded at the output to make the output The voltage drops rapidly. At this time, the output voltage of the LDO is the input power of the MCU, which can quickly “return to zero” to avoid the failure of the system to start up when the power is quickly turned on again.
Solution recommendation
When encountering the problem of system startup failure, please use an oscilloscope to check whether the power supply pins of the device are slowly powered on and incompletely powered down. When encountering this situation, you can choose to use the LDO: ZL6205 independently developed by Guangzhou Zhiyuan Microelectronics Co., Ltd. in the circuit. ZL6205 is a 500mA low dropout linear regulator designed by our company, which can respond quickly when the load current and power supply voltage change.
The main features are:
500mA maximum output current;
Low dropout (typ.[email protected]